La virologie est hors de contrôle
« La virologie est-elle une véritable science ? Pas selon un scientifique biomédical, qui affirme que la virologie est une pseudoscience frauduleuse et un domaine en voie de disparition. » Patricia Harrity
La plupart des gens considèrent la virologie comme une véritable science dure. Mais l’est-elle vraiment ? La virologie suit-elle la méthode scientifique ?
Les étapes de la méthode scientifique sont les suivantes :
• Observer un phénomène naturel.
• Proposer une hypothèse pour expliquer le phénomène.
• Sélectionner la variable indépendante (la cause présumée).
• Sélectionner la/les variable(s) dépendante(s) (l’effet/les effets observé(s)).
• Contrôler les variables.
• Tester/expérimenter.
• Analyser les observations/données.
• Valider/invalider l’hypothèse.
La méthode scientifique commence par l’observation d’un phénomène naturel, la formulation d’une hypothèse, puis la détermination de la variable indépendante (VI), qui est la cause présumée, de la variable dépendante (VD), qui est l’effet observé, et des variables de contrôle pour l’expérimentation.
Les contrôles scientifiques sont utilisés comme un système de vérification et d’équilibre dans les expériences lorsque les chercheurs tentent de déterminer la cause d’un effet. Les contrôles sont conçus pour s’assurer que la cause présumée (variable indépendante) est la seule chose qui puisse causer l’effet observé (variable dépendante).
Les contrôles permettent d’étudier une variable ou un facteur à la fois. Il est essentiel que le groupe de contrôle et les autres groupes expérimentaux soient exposés exactement aux mêmes conditions, à l’exception de la variable étudiée. Cela permet de tirer des conclusions plus précises et plus fiables des expériences.
La virologie se réfute elle-même
Les virologues ne s’intéressent aux phénomènes naturels qu’à partir du moment où des personnes présentent des symptômes similaires.
Jusqu’en 1952, les virologues pensaient qu’un virus était une protéine ou une enzyme toxique qui empoisonnait l’organisme et qui, d’une manière ou d’une autre, se multipliait dans l’organisme lui-même et pouvait se propager dans l’organisme ainsi qu’entre les personnes et les animaux.
Toutefois, ces virus présumés ne pouvaient pas être observés directement dans les tissus malades à l’aide de la microscopie électronique. Il a également été reconnu que même les animaux, les organes et les tissus sains libéraient, au cours du processus de décomposition, les mêmes produits de dégradation qui avaient été interprétés à tort comme des « virus ».
Pendant des décennies, les virologues ont échoué dans leurs tentatives de purifier et d’isoler les particules supposées être des « virus » afin de prouver directement l’existence et la pathogénicité de ces particules. Les virologues ne disposaient que de preuves indirectes de la désintégration de cultures de tissus humains et animaux, prétendument causée par le « virus » en question. Cette même dégradation a été observée dans des tissus provenant d’hôtes sains.
Les différents groupes de chercheurs n’ont pas pu reproduire ou répliquer les résultats des uns et des autres. En fait, les résultats étaient souvent contradictoires, comme le souligne Karlheinz Lüdtke dans un essai publié en 1999 :
« Les résultats souvent rapportés par certains chercheurs sur le virus à l’époque n’ont pas été confirmés par d’autres chercheurs à la suite de leurs propres expériences, ou les observations n’ont pas pu être reproduites par tous les scientifiques travaillant sur le virus. Souvent, des résultats contraires ont été rapportés, ou les résultats examinés ont été considérés comme des artefacts… Les résultats qui ont été utilisés pour confirmer empiriquement un lien suspecté ont souvent été rapidement rejoints par des résultats négatifs rapportés……. ».
La virologie s’était alors réfutée d’elle-même.
La méthode de culture cellulaire sauve le domaine moribond de la virologie
Afin de contourner la méthode scientifique appropriée, les virologues ont mis au point la méthode de culture cellulaire en laboratoire, qui sert de substitut pseudo-scientifique à un phénomène naturel.
La méthode de culture cellulaire a été introduite en 1954 par John Franklin Enders lors de ses tentatives d’identification d’un « virus » de la rougeole. Les virologues n’étant pas en mesure de purifier ou d’isoler correctement les particules supposées du « virus » directement à partir des fluides d’une personne malade, il a été décidé de « cultiver » les particules dans une culture cellulaire de laboratoire.
Ils ont affirmé qu’il n’y avait pas suffisamment de particules présentes dans les fluides de l’hôte pour permettre une détection directe. Cette affirmation est incompatible avec l’idée que les maladies virales se transmettent d’une personne à l’autre, les personnes infectées excrétant des milliards de particules virales qui infectent d’autres personnes. Rappelez-vous les sombres nuages qui entouraient les « infectés » lors de la campagne de terreur contre les covidés.
Le « virus », qui ne pouvait être trouvé directement à l’intérieur des fluides pour être étudié correctement, était supposé avoir besoin d’une cellule hôte pour se répliquer afin de pouvoir être trouvé et étudié.
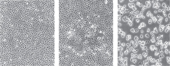
Enders a observé ce que l’on appelle l’effet cytopathique, c’est-à-dire un modèle de dommages apparaissant dans la culture à mesure que les cellules se désagrègent et meurent. Il a supposé que cet effet était le résultat direct de la réplication, à l’intérieur des cellules, du « virus » invisible contenu dans les lavages de gorge, ce qui entraînait la lyse cellulaire.
Il supposait que les débris cellulaires provenant d’une cellule empoisonnée étaient les copies de particules « virales » nouvellement créées. Malgré la nature non scientifique de la méthode, la culture cellulaire s’est rapidement imposée comme « l’étalon-or » pour « l’isolement des virus » et est encore utilisée aujourd’hui par les virologues.
La méthode de culture cellulaire indirecte a permis de relancer le domaine moribond de la virologie
Ironiquement, Enders a reçu le prix Nobel en 1954 pour les preuves qu’il avait recueillies en utilisant les anciennes expériences réfutées de culture de tissus, qui ont ensuite été remplacées par sa nouvelle méthode de culture cellulaire la même année.
La méthode de culture cellulaire est pseudo-scientifique car elle se lance dans l’expérimentation sans observer un phénomène naturel, sans identifier la variable dépendante (l’effet) ou isoler la variable indépendante (le « virus ») afin d’établir une hypothèse à tester.
En plus de ne pas disposer d’une variable indépendante valable, à savoir des particules « virales » purifiées et isolées, Enders a également créé sa propre variable dépendante, à savoir l’effet cytopathique. Cet effet n’est pas un phénomène observé naturellement mais est créé artificiellement en laboratoire par l’expérimentation.
On a supposé que le « virus » existait et qu’il provoquerait un effet cytopathique s’il était ajouté à une culture cellulaire. C’est ce que l’on appelle un sophisme logique consistant à « affirmer le conséquent », parfois appelé « poser la question » ou « raisonnement circulaire ».

Même si la culture cellulaire a été acceptée comme la preuve de référence pour « l’isolement » d’un « virus », on ignore souvent que Enders lui-même n’était pas sûr de la validité de sa méthode. Dans son article de 1954, Enders se demandait si les résultats expérimentaux obtenus en laboratoire (in vitro) étaient pertinents pour ce qui se passe à l’intérieur du corps (in vivo) :
« Les changements pathologiques induits par les agents dans les cellules épithéliales en culture de tissus ressemblent, au moins superficiellement, à ceux observés dans certains tissus au cours de la phase aiguë de la rougeole. Bien que rien ne permette de conclure que les facteurs in vivo sont les mêmes que ceux qui sous-tendent la formation de cellules géantes et les perturbations nucléaires in vitro, l’apparition de ces phénomènes dans les cellules cultivées est compatible avec les propriétés qui, a priori, pourraient être associées au virus de la rougeole ».
Enders a constaté les mêmes effets cytopathiques que ceux qu’il avait associés au « virus » de la rougeole dans des cultures témoins normales non inoculées, sans présence de « virus » :
« Il faut garder à l’esprit que les effets cytopathiques qui ressemblent superficiellement à ceux résultant d’une infection par les agents de la rougeole peuvent éventuellement être induits par d’autres agents viraux présents dans le tissu rénal du singe… Un deuxième agent a été obtenu à partir d’une culture non inoculée de cellules rénales de singe. Les changements cytopathiques qu’il a induits dans les préparations non colorées n’ont pas pu être distingués avec certitude des virus isolés de la rougeole ».
En d’autres termes, Enders a établi, en utilisant des cultures non inoculées, que l’effet cytopathique qu’il supposait causé par le « virus » invisible de la rougeole se produisait même en l’absence du « virus » supposé dans la culture.
Au cours des cinq années suivantes, d’autres équipes de chercheurs ont constaté exactement les mêmes effets cytopathiques que Enders lorsqu’ils effectuaient eux-mêmes des contrôles sans inoculation.
Il est clair que c’est la méthode de culture cellulaire elle-même, qui implique de stresser et d’affamer les cellules qui sont retirées de leur environnement naturel et empoisonnées avec des antibiotiques toxiques, ainsi que d’y mélanger des substances animales étrangères et d’autres produits chimiques, qui provoque la mort des cellules.
Comme cet effet cytopathique n’était pas spécifique à un « virus » et qu’il s’est produit dans des cultures sans aucun « virus », il ne peut pas être utilisé pour affirmer la présence d’un « virus ».
La méthode de culture cellulaire non valide a été présentée comme l’étalon-or que tout virologue devrait utiliser pour confirmer la présence d’un « virus » dans un échantillon. Cela a cimenté l’ensemble du domaine de la virologie dans un monde de pseudoscience, la méthode scientifique continuant d’être ignorée.
En outre, il a toujours été démontré que les mélanges supposés contenir des « virus » invisibles n’étaient pas pathogènes et ne répondaient donc pas à la définition d’un « virus ».
Ces révélations auraient dû mettre fin à la virologie sur-le-champ. Malheureusement, il n’en a rien été.
D’autres réfutent la virologie
Récemment, le Dr Stefan Lanka a réalisé des expériences en utilisant les mêmes protocoles que ceux utilisés dans toutes les expériences d’isolement de tous les virus présumés pathogènes. Il a notamment modifié le milieu nutritif en « milieu nutritif minimal », c’est-à-dire en réduisant le pourcentage de sérum de veau fœtal de 10% à 1%, en diminuant les nutriments disponibles pour la croissance des cellules, ce qui les stresse, et en triplant la quantité d’antibiotiques toxiques.
Le Dr Lanka a observé l’effet cytopathique caractéristique, mais à aucun moment un « virus » pathogène n’a été ajouté à la culture. Ce résultat ne peut que signifier que l’effet cytopathique résulte de la manière dont l’expérience de culture a été réalisée.
Il a également ajouté une solution d’ARN pur de levure qui a produit le même résultat, ce qui prouve à nouveau que c’est la technique de culture – et non un virus – qui est à l’origine de l’effet cytopathique. Il est intéressant de noter que lors de la récente construction du prétendu « génome du monkeypox », les chercheurs communistes chinois ont utilisé du matériel génétique de levure au cours du processus qui, incroyablement, n’a même pas impliqué d’échantillons de virus réels avec lesquels travailler.
Dans la tristement célèbre étude de Zhou et al, qui est l’un des piliers fondamentaux de la fraude « SRAS-COV-2 », il est indiqué qu’un contrôle par « virus fictif » a été utilisé. L’article n’indique pas clairement ce qu’ils entendent par « faux virus ».
Cependant, le Dr Mark Bailey a enquêté plus avant et a découvert que dans la culture expérimentale, les antibiotiques ont été doublés pendant les expériences de culture pour obtenir un effet cytopathique dans une culture sur 24. Non seulement il s’agit d’un taux d’échec élevé pour la culture d’un « virus », mais l’ajout de plus d’antibiotiques à la culture expérimentale invalide complètement les résultats puisque le contrôle n’a pas été traité de la même manière.
L’ajout d’antibiotiques à la culture expérimentale n’a jamais été mentionné dans l’article. Zhou et al. ont commis une fraude scientifique. Combien d’autres études sur les « virus » ont fait de même ? Les détails de ce qui a été fait aux témoins faussement infectés devraient être fournis avec chaque article, mais ce n’est pas le cas.
La virologie est une pseudo-science frauduleuse
La méthode de culture cellulaire n’est pas un dispositif expérimental valide car elle n’a jamais été conçue selon la méthode scientifique. L’expérience crée l’effet (effet cytopathique) et suppose ensuite la cause (« virus ») sans vérifier que la cause supposée existe au départ.
On sait que l’effet cytopathique est causé par de nombreux autres facteurs sans rapport avec un « virus », ce qui rend injustifiable l’explication d’un « virus » fictif comme coupable.
On sait que l’effet cytopathique peut être causé par :
• des bactéries
• les amibes
• les parasites
• les antibiotiques
• les antifongiques
• contaminants chimiques
• âge et détérioration des cellules
• stress environnemental
L’effet cytopathique n’est pas une variable dépendante valable car il ne s’agit pas d’un phénomène observé naturellement et il peut être expliqué par divers facteurs autres qu’un « virus » invisible.

L’échantillon non purifié ajouté à la culture cellulaire n’est pas une variable indépendante valable, car il n’a pas été démontré que le « virus » supposé s’y trouver existe à l’état purifié et isolé avant que l’expérience n’ait lieu. L’utilisation de la méthode de culture cellulaire comme preuve de l’existence d’un « virus » n’est absolument pas scientifique.
Des contrôles valables devraient être effectués parallèlement aux cultures cellulaires à chaque fois. En général, les études fournies comme preuve de l’existence de « virus » ne mentionnent pas les contrôles ou ce qui a été fait à la culture de contrôle est mal défini.
Si les virologues effectuent un contrôle, ils procèdent généralement à ce qu’ils appellent des infections « fictives ». Cela signifie que les virologues sont censés utiliser la même cellule avec les mêmes additifs, mais sans le « virus ».
Un contrôle est censé éliminer uniquement la variable étudiée, c’est-à-dire les particules « virales » supposées. Étant donné que les fluides utilisés pour inoculer la culture ne sont pas constitués uniquement de particules « virales » purifiées et isolées, mais plutôt d’une soupe complexe de substances telles que des matériaux hôtes, des bactéries, des champignons, des vésicules extracellulaires, etc.
Un contrôle approprié consisterait à utiliser un échantillon d’un être humain sain qui serait traité exactement de la même manière que les fluides contenant le « virus » supposé.
L’absence d’échantillons de personnes saines dans le contrôle invalide l’infection simulée, car il y a de nombreuses variables confusionnelles présentes dans la culture expérimentale qui sont absentes de la culture infectée simulée.
Les virologues doivent tenter d’observer un phénomène naturel lorsque la variable indépendante peut être observée dans la nature. Au minimum, cela signifie qu’ils doivent trouver les particules qu’ils pensent être des « virus » directement dans les fluides d’un hôte malade et séparer ces particules de tout ce qui se trouve dans les fluides. Les virologues doivent ensuite déterminer une variable dépendante valide afin d’établir une hypothèse testable et falsifiable.
La virologie a créé ses propres variables en laboratoire au lieu de prouver la relation de cause à effet par l’étude d’un phénomène réel. L’utilisation d’un effet créé en laboratoire pour revendiquer une cause qui ne peut être observée qu’après l’expérience est l’antithèse de la méthode scientifique.
Le « virus » est une construction imaginaire imaginée dans l’esprit des chercheurs qui échouaient régulièrement à trouver une cause bactérienne à la maladie. Ils ont alors supposé qu’il devait y avoir quelque chose d’autre de plus petit et d’invisible dans les fluides des personnes malades.
La virologie repose sur des bases pseudo-scientifiques, car il n’y a jamais eu de phénomènes naturels observés sur lesquels s’appuyer, à l’exception de personnes présentant des symptômes similaires. La virologie est hors de contrôle.
yogaesoteric
25 septembre 2023